A
B
C
D
लिखित उत्तर
Verified by Experts
The correct Answer is:
Recommended Questions
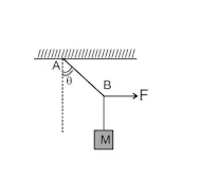
- A mass M is suspended by a rope from a rigid support at A as shown in ...
Text Solution
|
- A mass of 3kg is suspended by a rope of length 2m from the ceilling A ...
Text Solution
|
- A mass of 10kg is suspended by a rope of length 2.8m from a ceiling. A...
Text Solution
|
- A block of mass M is pulled along a horizontal frictionless surface by...
Text Solution
|
- A mass M is suspended by a rope from a rigid support at A as shown in ...
Text Solution
|
- Two persons pull a rope by its two ends, exerting equal but opposite f...
Text Solution
|
- A mass of 10 kg is suspended by a rope of length 2.8m from a ceiling. ...
Text Solution
|
- A body of mass sqrt(3) kg is suspended by a string to a rigid support...
Text Solution
|
- A 10 kg body is suspended by a rope is pulled by means of a horizontal...
Text Solution
|
